'전체 글'에 해당되는 글 166건
- 2025.10.28 :: mcintosh mc7300 매킨토시 파워앰프 / 수입 오디오 수리 / 부천 한국음향
- 2025.10.02 :: wooaudio wa8 aclipse dac 헤드폰앰프/수입 오디오 수리 / 부천 한국음향
- 2025.05.26 :: Chorus 5 + 탄노이스피커 (동영상) 복합 P,P 한국음향 제작 kt88,6l6,el34,6v6 2
- 2025.02.12 :: mark levinson no27 마크레빈슨
- 2023.03.03 :: cary tube amp 845 오디오수리 한국음향
- 2023.02.24 :: revox b-740 리복스파워 수입오디오수리 한국음향
- 2023.02.24 :: 아큐페이즈 p-400 파워앰프 한국음향 수입오디오수리
- 2021.04.27 :: 진공관 복합PP앰프 6L6/KT88/EL34 (수입오디오수리/진공관앰프제작 부천 한국음향)
- 2021.02.09 :: thorens prestige 토랜스 프레스티지 수리작업
- 2020.11.14 :: 부천 한국음향 수입 오디오수리 hewlett packard 8922m 10-1000mhz gsm ms test set
- 2019.12.26 :: 진공관 복합PP앰프 KT88/6L6/6V6 (수입오디오수리/진공관앰프제작 부천 한국음향) 1
- 2019.12.17 :: 진공관앰프 복합 p.p kt88,6l6,6v6 주문제작 완성품
- 2019.12.04 :: krell krs-1프리앰프 수입 오디오 수리, 진공관 앰프 수리 제작 부천 한국음향 문의010-6218-3366
- 2019.12.04 :: 파워앰프 mcintosh 2600 수입 오디오 수리, 진공관 앰프 수리 제작 부천 한국음향 문의010-6218-3366
- 2019.11.22 :: krell 크렐 k-300i main pcb 수입 오디오 수리, 진공관 앰프 수리 제작 부천 한국음향 010-6218-3366
- 2019.10.22 :: krell 크렐 ksa 200 수입 오디오 수리, 진공관 앰프 수리 제작 부천 한국음향, 문의 010-6218-3366
- 2019.10.04 :: 진공관 복합PP앰프 6L6, KT88, EL34 (수입오디오수리/진공관앰프제작 부천 한국음향)
- 2019.08.23 :: Bang Olufsen Beosound Ouverture CD/Radio 수입 오디오 수리, 진공관 앰프 수리 제작 부천 한국음향, 문의 010-6218-3366
- 2019.08.05 :: 크렐 krell kav-500 5체널 파워앰프, 수입 오디오 수리, 진공관 앰프 수리 제작 부천 한국음향, 문의 010-6218-3366
- 2019.06.25 :: Accuphase t-101 아큐페이즈 튜너 t-101 1
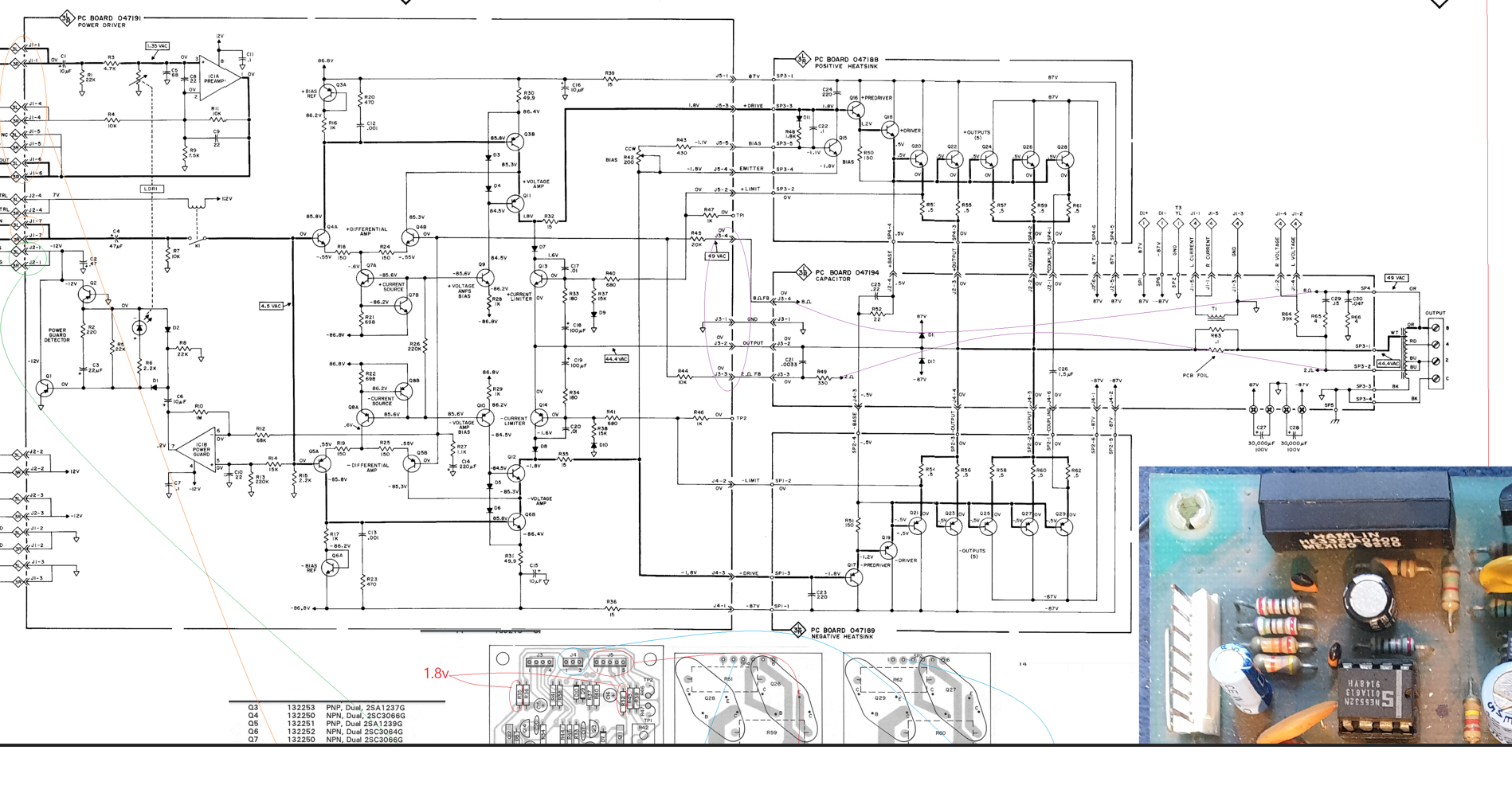
수입 오디오 수리 / 부천 한국음향
수리가 않되는 난수리 해결해 드립니다.
010-6218-3366
출력회로 이상과열로 연소되어 드라이브회로 출력회로 부위를 수리 및 오버홀 하였습니다.
다른 분이 수리하다 반대쪽도 연소되어 입고되었습니다.
장시간 회로분석 원인을 찾아 수리 및 오버홀하여 완벽하게 해결했습니다.
이상 과전류는 빠른 속도로 출력석을 뜨겁게 달궈 견디다 못해 연소 되어 버리는 증상입니다.
원인 찾기가 어주 어렵습니다.
출력 tr를 교체하는데로 쇼트 연소되어 버립니다.
무조건 부품만 교체하다보면 시간과 부품비가 들어가고 고장 부위도 넓어집니다.
수리완료시에는 바이어스 전압 +- 1.8v 전류 측정 셋팅 중요하고...
@어떤때는 정상적이었다가 간헐적 과전류 증상으로 회로적으로 이상 과전류 문제 원인을 정확히 파악후..... 해결이 중요....








'수리작업사진' 카테고리의 다른 글
| wooaudio wa8 aclipse dac 헤드폰앰프/수입 오디오 수리 / 부천 한국음향 (0) | 2025.10.02 |
|---|---|
| cary tube amp 845 오디오수리 한국음향 (0) | 2023.03.03 |
| revox b-740 리복스파워 수입오디오수리 한국음향 (0) | 2023.02.24 |
| 아큐페이즈 p-400 파워앰프 한국음향 수입오디오수리 (0) | 2023.02.24 |
| thorens prestige 토랜스 프레스티지 수리작업 (0) | 2021.02.09 |
wooaudio wa8 aclipse dac 헤드폰앰프(초소형 진공관)
tube 6201 1개,6c31b 2개 로구성 dac기능과 aux기능이 합께 되어있는 기기입니다
미니 진공관 헤드폰 앰프 (소형 도시락 크기)
수리가 않되는 난수리 해결해 드립니다.
010-6218-3366
출처: https://hk-sound.tistory.com/182 [한국음향/수입 오디오 수리 진공관 앰프 제작 전문:티스토리]
수입 오디오 수리 / 부천 한국음향
krell 크렐 kav-300il (kav-400xi)/수입 오디오 수리 / 부천 한국음향
krell 크렐 kav-300il (kav-400xi)는 일부 smd생산으로 고장이 났응경우 수리에 어려움을 격는다. 본 제품은 음이 찌그러지는 현상으로 저희 한국음향에 접수되어 smd부품 10여개를 교환하여 수리완료 하
hk-sound.tistory.com

수입 오디오 수리 / 부천 한국음향

수입 오디오 수리 / 부천 한국음향

수입 오디오 수리 / 부천 한국음향

수입 오디오 수리 / 부천 한국음향

수리의뢰 문제점... 소리가 아주 작고 찌그러짐 현상..
분해시 일반 드라이버로는 분해하기 어렵고
회로판이 초소형 미니라서 수리하기가 힘듭니다.
그래도 작업 시도해 보겠습니다.
수입 오디오 수리 / 부천 한국음향

자세한 내용은 기록할수 없으나 회로도가 없고 제조사에서 공개를 하지 않아 회로판 완전분해후 장시간에걸쳐 회로분석을 하였고 초소형 딮 부품등을 교체하고 회로보강 안정화하여 완벽하게 수리 완료 하였습니다. 가격대가 고가? 비싼편이고 음질 또한 아주좋은편이어서 매니어가 많은듯 합니다.
tr,트랜지스터 오디오기기나 진공관 오디오기기는 저희 한국음향에 맏겨 주세요.
장시간의 테스트를거쳐 완벽하게 수리해 드리겠습니다.
수입 오디오 수리 / 부천 한국음향

수입 오디오 수리 / 부천 한국음향
'수리작업사진' 카테고리의 다른 글
| mcintosh mc7300 매킨토시 파워앰프 / 수입 오디오 수리 / 부천 한국음향 (0) | 2025.10.28 |
|---|---|
| cary tube amp 845 오디오수리 한국음향 (0) | 2023.03.03 |
| revox b-740 리복스파워 수입오디오수리 한국음향 (0) | 2023.02.24 |
| 아큐페이즈 p-400 파워앰프 한국음향 수입오디오수리 (0) | 2023.02.24 |
| thorens prestige 토랜스 프레스티지 수리작업 (0) | 2021.02.09 |
고급 여러기기들과 비교 청음결과 Chorus 5 음질에 여러분 모두 훌륭하다는 평이었습니다
일산에 사시는 최** 예술가님께서 주문한 Chorus 5 음질에 아주 만족하셨습니다.
신관 구성인데도 풍부한 저역과 섬세한 중고음 제작자인 저역시도 아주 뿌듯했습니다.
kt88, 6L6, 6V6으로 제작하였고 셀렉터로 간단히 선택하여 청음 하실수있습니다.
출력관 12개 모두 바이어스 채택을 하여 매우 안정적인 바이어스가 흐르도록 하였고
셀렉터로 선택할수 있어서 편리합니다.
6V6또한 기존 앰프들 보다 더 묵직하고 출력이 더 나옵니다.
진공관 복합앰프 (pp,se방식) 셀렉터로 출력관을 선택할수있는 방식의
저작권은 한국음향에 있습니다
출처: https://hk-sound.tistory.com/category/진공관 복합 PP앰프 (kt88,el34,6l6,6v6) [한국음향/수입 오디오 수리 진공관 앰프 제작 전문:티스토리]
'진공관앰프 제작사진' 카테고리의 다른 글
| 진공관 복합PP앰프 6L6, KT88, EL34 (수입오디오수리/진공관앰프제작 부천 한국음향) (0) | 2019.10.04 |
|---|---|
| 신중현선생께서 사용하실 2번째작품 웹스터진공관앰프 모노를 스테레오로(함께 사진촬영)(수입오디오수리/진공관앰프제작 부천 한국음향) (0) | 2014.05.23 |
| KT88/6550 진공관앰프 완료 사진/동영상/수입 오디오 수리 / 부천 한국음향 (0) | 2013.05.13 |
| KT88(6550) P.P 인티앰프 (`너의빈자리-인티-2`)정류관 버젼 키트/수입 오디오 수리 / 부천 한국음향 (0) | 2012.12.21 |
| 2A3 SE (`꿈`)파워앰프 키트-일반형 조립,튜닝완료 사진입니다/수입 오디오 수리 / 부천 한국음향 (0) | 2012.12.10 |
tr,트랜지스터 오디오기기나 진공관 오디오기기는 저희 한국음향에 맏겨 주세요.
장시간의 테스트를거쳐 완벽하게 수리해 드리겠습니다.











'오디오 사진 저장' 카테고리의 다른 글
| 진공관앰프 복합 p.p kt88,6l6,6v6 주문제작 완성품 (0) | 2019.12.17 |
|---|---|
| krell krs-1프리앰프 수입 오디오 수리, 진공관 앰프 수리 제작 부천 한국음향 문의010-6218-3366 (0) | 2019.12.04 |
| 파워앰프 mcintosh 2600 수입 오디오 수리, 진공관 앰프 수리 제작 부천 한국음향 문의010-6218-3366 (0) | 2019.12.04 |
| krell 크렐 k-300i main pcb 수입 오디오 수리, 진공관 앰프 수리 제작 부천 한국음향 010-6218-3366 (0) | 2019.11.22 |
| krell 크렐 ksa 200 수입 오디오 수리, 진공관 앰프 수리 제작 부천 한국음향, 문의 010-6218-3366 (0) | 2019.10.22 |
전체 전류 20% 줄임. 오버홀 수리 전원 트랜스교환...
고질적 전원트랜스 연소문제 해결을 위한 수리...
진공관앰프 제작 설계,수리 한국음향 010-6218-3366
tr,트랜지스터 오디오기기나 진공관 오디오기기는 저희 한국음향에 맏겨 주세요.
장시간의 테스트를거쳐 완벽하게 수리해 드리겠습니다.




'수리작업사진' 카테고리의 다른 글
| mcintosh mc7300 매킨토시 파워앰프 / 수입 오디오 수리 / 부천 한국음향 (0) | 2025.10.28 |
|---|---|
| wooaudio wa8 aclipse dac 헤드폰앰프/수입 오디오 수리 / 부천 한국음향 (0) | 2025.10.02 |
| revox b-740 리복스파워 수입오디오수리 한국음향 (0) | 2023.02.24 |
| 아큐페이즈 p-400 파워앰프 한국음향 수입오디오수리 (0) | 2023.02.24 |
| thorens prestige 토랜스 프레스티지 수리작업 (0) | 2021.02.09 |
tr,트랜지스터 오디오기기나 진공관 오디오기기는 저희 한국음향에 맏겨 주세요.
장시간의 테스트를거쳐 완벽하게 수리해 드리겠습니다.




'수리작업사진' 카테고리의 다른 글
| wooaudio wa8 aclipse dac 헤드폰앰프/수입 오디오 수리 / 부천 한국음향 (0) | 2025.10.02 |
|---|---|
| cary tube amp 845 오디오수리 한국음향 (0) | 2023.03.03 |
| 아큐페이즈 p-400 파워앰프 한국음향 수입오디오수리 (0) | 2023.02.24 |
| thorens prestige 토랜스 프레스티지 수리작업 (0) | 2021.02.09 |
| spectral dmc-20스팩트럴 프리앰프(수입오디오수리/진공관앰프제작 부천 한국음향) (0) | 2017.03.14 |
tr,트랜지스터 오디오기기나 진공관 오디오기기는 저희 한국음향에 맏겨 주세요.
장시간의 테스트를거쳐 완벽하게 수리해 드리겠습니다.









'수리작업사진' 카테고리의 다른 글
| cary tube amp 845 오디오수리 한국음향 (0) | 2023.03.03 |
|---|---|
| revox b-740 리복스파워 수입오디오수리 한국음향 (0) | 2023.02.24 |
| thorens prestige 토랜스 프레스티지 수리작업 (0) | 2021.02.09 |
| spectral dmc-20스팩트럴 프리앰프(수입오디오수리/진공관앰프제작 부천 한국음향) (0) | 2017.03.14 |
| cyrus cdp cd6 사이러스 시디피 (수입오디오수리/진공관앰프제작 부천 한국음향) (2) | 2017.02.24 |
진공관 복합 PP 앰프 6v6,el34,kt88 (하드와이어링)
6V6 pp, EL34 (6ca7)pp, KT88 (6550)pp
세가지 출력관을 간단히 셀렉터 조작만으로 골라 들을수 있도록
설계하였습니다.
12개의 출력관은 각각의 바이어스를 조절할수있게 설계하였고
특히 6V6을 기존에 적용하지않는 바이어스 회로를 적용하여
안정적인 전류가 흐르도록 하였습니다.
출력은각 채널당 kt88은50w , EL34는40w ,
6v6으로 큰 출력트랜스를 구동하게 되므로
기존의 6v6 진공관보다 구동력이 좋습니다.
고급 오일 커플링콘덴서를 사용하였고 특히 저희가 개발한 사운드필터를
적용해 음색이 저역 고역 분포가 잘되어 부드러우면서도 댐핑력이 좋으며
고음또한 명료한 또렸한 음질이어서 어떠한 스피커도 잘어울립니다.
제작시간이 많이 걸리는 제품이고 몇대만(한정) 주문받아 제작해드립니다
보증기간 1년(관/tube 및 과실 보증제외)
제작문의 환영합니다.
(수입오디오수리/진공관앰프제작 부천 한국음향)
진공관 복합앰프 (pp,se방식) 셀렉터로 출력관을 선택할수있는 방식의
저작권은 한국음향에 있습니다
Chorus 5 와 탄노이 연결
고급 여러기기들과 비교 청음결과 Chorus 5 음질에 여러분 모두 훌륭하다는 평이었습니다
일산에 사시는 최** 예술가님께서 주문한 Chorus 5 음질에 아주 만족하셨습니다.
신관 구성인데도 풍부한 저역과 섬세한 중고음 제작자인 저역시도 아주 뿌듯했습니다.
kt88, 6L6, 6V6으로 제작하였고 셀렉터로 간단히 선택하여 청음 하실수있습니다.
출력관 12개 모두 바이어스 채택을 하여 매우 안정적인 바이어스가 흐르도록 하였고 셀렉터로
선택할수 있어 편리합니다.
6V6또한 기존 앰프들 보다 더 묵직하고 출력이 더 나옵니다.
출처: https://hk-sound.tistory.com/180 [한국음향/수입 오디오 수리 진공관 앰프 제작 전문:티스토리]
Chorus 5 와 탄노이 연결
Chorus 5 와 탄노이 연결
'진공관 복합 PP앰프 (kt88,el34,6v6)' 카테고리의 다른 글
| 진공관 복합PP앰프 KT88/6L6/6V6 (수입오디오수리/진공관앰프제작 부천 한국음향) (1) | 2019.12.26 |
|---|---|
| 진공관 복합 PP 앰프 6v6,el34,kt88 (하드와이어링)(수입오디오수리/진공관앰프제작 부천 한국음향) (0) | 2016.07.23 |
tr,트랜지스터 오디오기기나 진공관 오디오기기는 저희 한국음향에 맏겨 주세요.
장시간의 테스트를거쳐 완벽하게 수리해 드리겠습니다.









'수리작업사진' 카테고리의 다른 글
| revox b-740 리복스파워 수입오디오수리 한국음향 (0) | 2023.02.24 |
|---|---|
| 아큐페이즈 p-400 파워앰프 한국음향 수입오디오수리 (0) | 2023.02.24 |
| spectral dmc-20스팩트럴 프리앰프(수입오디오수리/진공관앰프제작 부천 한국음향) (0) | 2017.03.14 |
| cyrus cdp cd6 사이러스 시디피 (수입오디오수리/진공관앰프제작 부천 한국음향) (2) | 2017.02.24 |
| Mark Levinson No26 마크레빈슨 프리앰프(수입오디오수리/진공관앰프제작 부천 한국음향) (0) | 2017.01.12 |
부천 한국음향 수입 오디오수리 hewlett packard 8922m 10-1000mhz gsm ms test set
진공관앰프 제작 010-6218-3366


휴렛패커드 8922m 계측기
수입오디오수리 010-6218-3366




'오디오자료' 카테고리의 다른 글
| Accuphase t-101 아큐페이즈 튜너 t-101 (1) | 2019.06.25 |
|---|---|
| luxman mb88 회로도 수입 오디오 수리 부천 한국음향 (0) | 2017.07.06 |
| JOLIDA SJ 502A 회로도 수입 오디오 수리 부천 한국음향 (0) | 2015.08.18 |
| BTL컨버터 (모노 브릿지) 제작 시험 테스트/수입 오디오 수리 / 부천 한국음향 (0) | 2014.10.02 |
| Fisher_500-C_service_manual /수입 오디오 수리 / 부천 한국음향 (0) | 2014.05.14 |
진공관 복합PP앰프 KT88/6L6/6V6 (수입오디오수리/진공관앰프제작 부천 한국음향)
제작문의 010-6218-3366

진공관 복합 PP 앰프 6v6,el34,kt88 (하드와이어링)
6V6 pp, EL34 (6ca7)pp, KT88 (6550)pp
세가지 출력관을 간단히 셀렉터 조작만으로 골라 들을수 있도록
설계하였습니다.
12개의 출력관은 각각의 바이어스를 조절할수있게 설계하였고
특히 6V6을 기존에 적용하지않는 바이어스 회로를 적용하여
안정적인 전류가 흐르도록 하였습니다.
출력은각 채널당 kt88은50w , EL34는40w ,
6v6으로 큰 출력트랜스를 구동하게 되므로
기존의 6v6 진공관보다 구동력이 좋습니다.
고급 오일 커플링콘덴서를 사용하였고 특히 저희가 개발한 사운드필터를
적용해 음색이 저역 고역 분포가 잘되어 부드러우면서도 댐핑력이 좋으며
고음또한 명료한 또렸한 음질이어서 어떠한 스피커도 잘어울립니다.
제작시간이 많이 걸리는 제품이고 몇대만(한정) 주문받아 제작해드립니다
보증기간 1년(관/tube 및 과실 보증제외)
제작문의 및 청음 환영합니다.
(수입오디오수리/진공관앰프제작 부천 한국음향)
진공관 복합앰프 (pp,se방식) 셀렉터로 출력관을 선택할수있는 방식의
저작권은 한국음향에 있습니다
출처: https://hk-sound.tistory.com/category/진공관 복합 PP앰프 (kt88%2Cel34%2C6v6) [수입 오디오 수리 진공관 앰프 수리 제작 음향 전자기기 수리 전문 - 한국음향]
'진공관 복합 PP앰프 (kt88,el34,6v6)' 카테고리의 다른 글
| 진공관 복합PP앰프 6L6/KT88/EL34 (수입오디오수리/진공관앰프제작 부천 한국음향) (0) | 2021.04.27 |
|---|---|
| 진공관 복합 PP 앰프 6v6,el34,kt88 (하드와이어링)(수입오디오수리/진공관앰프제작 부천 한국음향) (0) | 2016.07.23 |
진공관앰프 복합 p.p kt88,6l6,6v6 주문제작 완성품
중후한,셈세한 음질 .....
수입 오디오 수리, 진공관 앰프 수리 제작 부천 한국음향 문의010-6218-3366









수입 오디오 수리, 진공관 앰프 수리 제작 부천 한국음향 문의010-6218-3366
출처: https://hk-sound.tistory.com/category/오디오 사진 저장 [수입 오디오 수리 진공관 앰프 수리 제작 음향 전자기기 수리 전문 - 한국음향]
'오디오 사진 저장' 카테고리의 다른 글
| mark levinson no27 마크레빈슨 (0) | 2025.02.12 |
|---|---|
| krell krs-1프리앰프 수입 오디오 수리, 진공관 앰프 수리 제작 부천 한국음향 문의010-6218-3366 (0) | 2019.12.04 |
| 파워앰프 mcintosh 2600 수입 오디오 수리, 진공관 앰프 수리 제작 부천 한국음향 문의010-6218-3366 (0) | 2019.12.04 |
| krell 크렐 k-300i main pcb 수입 오디오 수리, 진공관 앰프 수리 제작 부천 한국음향 010-6218-3366 (0) | 2019.11.22 |
| krell 크렐 ksa 200 수입 오디오 수리, 진공관 앰프 수리 제작 부천 한국음향, 문의 010-6218-3366 (0) | 2019.10.22 |
krell krs-1프리앰프 수입 오디오 수리, 진공관 앰프 수리 제작 부천 한국음향 문의010-6218-3366



'오디오 사진 저장' 카테고리의 다른 글
| mark levinson no27 마크레빈슨 (0) | 2025.02.12 |
|---|---|
| 진공관앰프 복합 p.p kt88,6l6,6v6 주문제작 완성품 (0) | 2019.12.17 |
| 파워앰프 mcintosh 2600 수입 오디오 수리, 진공관 앰프 수리 제작 부천 한국음향 문의010-6218-3366 (0) | 2019.12.04 |
| krell 크렐 k-300i main pcb 수입 오디오 수리, 진공관 앰프 수리 제작 부천 한국음향 010-6218-3366 (0) | 2019.11.22 |
| krell 크렐 ksa 200 수입 오디오 수리, 진공관 앰프 수리 제작 부천 한국음향, 문의 010-6218-3366 (0) | 2019.10.22 |
파워앰프 mcintosh 2600 수입 오디오 수리, 진공관 앰프 수리 제작 부천 한국음향 문의010-6218-3366
출처: https://hk-sound.tistory.com/category/오디오 사진 저장 [수입 오디오 수리 진공관 앰프 수리 제작 음향 전자기기 수리 전문 - 한국음향]








'오디오 사진 저장' 카테고리의 다른 글
krell 크렐 k-300i pcb 수입 오디오 수리, 진공관 앰프 수리 제작 부천 한국음향 문의010-6218-3366










'오디오 사진 저장' 카테고리의 다른 글
수입 오디오 수리, 진공관 앰프 수리 제작 부천 한국음향, 문의 010-6218-3366











'오디오 사진 저장' 카테고리의 다른 글
진공관 복합 PP 앰프 6L6,e l34, kt88 (하드와이어링)
주문제작해드립니다
3종류 출력관을 간단히 셀렉터로 선택하여 감상하실수있습니다
본 제품 저작권은 한국음향에 있습니다
(수입오디오수리/진공관앰프제작 부천 한국음향)


'진공관앰프 제작사진' 카테고리의 다른 글
| Chorus 5 + 탄노이스피커 (동영상) 복합 P,P 한국음향 제작 kt88,6l6,el34,6v6 (2) | 2025.05.26 |
|---|---|
| 신중현선생께서 사용하실 2번째작품 웹스터진공관앰프 모노를 스테레오로(함께 사진촬영)(수입오디오수리/진공관앰프제작 부천 한국음향) (0) | 2014.05.23 |
| KT88/6550 진공관앰프 완료 사진/동영상/수입 오디오 수리 / 부천 한국음향 (0) | 2013.05.13 |
| KT88(6550) P.P 인티앰프 (`너의빈자리-인티-2`)정류관 버젼 키트/수입 오디오 수리 / 부천 한국음향 (0) | 2012.12.21 |
| 2A3 SE (`꿈`)파워앰프 키트-일반형 조립,튜닝완료 사진입니다/수입 오디오 수리 / 부천 한국음향 (0) | 2012.12.10 |
Bang Olufsen Beosound Ouverture CD/Radio
수입 오디오 수리, 진공관 앰프 수리 제작 부천 한국음향, 문의 010-6218-3366
출처: https://hk-sound.tistory.com/category/오디오 사진 저장 [수입 오디오 수리, 진공관 앰프 수리 제작, 음향 전자기기 수리 전문 - 부천 한국음향]






'오디오 사진 저장' 카테고리의 다른 글
| krell 크렐 k-300i main pcb 수입 오디오 수리, 진공관 앰프 수리 제작 부천 한국음향 010-6218-3366 (0) | 2019.11.22 |
|---|---|
| krell 크렐 ksa 200 수입 오디오 수리, 진공관 앰프 수리 제작 부천 한국음향, 문의 010-6218-3366 (0) | 2019.10.22 |
| 크렐 krell kav-500 5체널 파워앰프, 수입 오디오 수리, 진공관 앰프 수리 제작 부천 한국음향, 문의 010-6218-3366 (0) | 2019.08.05 |
| marantz model 1 수입 오디오수리 진공관 앰프수리,제작 부천한국음향 (1) | 2019.04.23 |
| mcintosh mc7300 수입 오디오수리 진공관 앰프수리,제작 부천한국음향 (1) | 2019.04.04 |











크렐 krell kav-500 5체널 파워앰프, 수입 오디오 수리, 진공관 앰프 수리 제작 부천 한국음향, 문의 010-6218-3366



'오디오 사진 저장' 카테고리의 다른 글
| krell 크렐 ksa 200 수입 오디오 수리, 진공관 앰프 수리 제작 부천 한국음향, 문의 010-6218-3366 (0) | 2019.10.22 |
|---|---|
| Bang Olufsen Beosound Ouverture CD/Radio 수입 오디오 수리, 진공관 앰프 수리 제작 부천 한국음향, 문의 010-6218-3366 (0) | 2019.08.23 |
| marantz model 1 수입 오디오수리 진공관 앰프수리,제작 부천한국음향 (1) | 2019.04.23 |
| mcintosh mc7300 수입 오디오수리 진공관 앰프수리,제작 부천한국음향 (1) | 2019.04.04 |
| forte audio 3 포르테파워 (수입오디오수리/진공관앰프제작 부천 한국음향)010-6218-3366 (0) | 2018.03.29 |
'오디오자료' 카테고리의 다른 글
| 부천 한국음향 수입 오디오수리 hewlett packard 8922m 10-1000mhz gsm ms test set (0) | 2020.11.14 |
|---|---|
| luxman mb88 회로도 수입 오디오 수리 부천 한국음향 (0) | 2017.07.06 |
| JOLIDA SJ 502A 회로도 수입 오디오 수리 부천 한국음향 (0) | 2015.08.18 |
| BTL컨버터 (모노 브릿지) 제작 시험 테스트/수입 오디오 수리 / 부천 한국음향 (0) | 2014.10.02 |
| Fisher_500-C_service_manual /수입 오디오 수리 / 부천 한국음향 (0) | 2014.05.14 |